产品特点
灵活装卸
推荐搭载短轴距单桥底盘车型,作业半径覆盖11米至14米,兼顾灵活装卸和高效运输
多场景应用
无论是短线物流还是乡镇工程,场地适应性强,是轻中型作业的黄金选择。广泛应用于园林绿化、建材吊装、仓库装卸、市政维护等施工场景
更经济
整车购车成本较低,百公里油耗更省
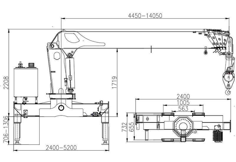
技术参数
SQS175起重机参数
| 序号 | 项目 | 单位 | SQS175 |
| 1 | 最大起重质量 | kg | 7000 |
| 2 | 最大起重力矩 | t·m | 17.5 |
| 3 | 最大工作半径 | m | 14 |
| 4 | 最大起升高度 | m | 15.8 |
| 5 | 最大变幅角度 | ° | 75 |
| 6 | 回转角度 | ° | 360 |
| 7 | 起重臂节数 | 节 | 5 |
| 8 | 基本臂工作半径 | mm | 4450 |
| 9 | 前支腿跨距* | mm | 2400-5200 |
| 10 | 后支腿跨距* | mm | 2300-3300 |
| 11 | 安装所需最小间距 | mm | 733 |
| 12 | 推荐使用功率 | kW | 20 |
| 13 | 系统额定流量 | L/min | 63 |
| 14 | 系统额定压力 | MPa | 20 |
| 15 | 液压油箱容积 | L | 80 |
| 16 | 整机重量** | kg | 2680 |
| *支腿边缘到边缘长度数据 | |||
| **仅指起重机部分,不包含后支腿及其他附件 | |||
SQS175 Lifting Capacity Specifications
| 工作幅度(m) | 不同臂长最大起升载荷(kg) | ||||
| 4.45m | 6.85m | 9.25m | 11.65m | 14.05m | |
| 2.50 | 7000 | 2800 | |||
| 3.00 | 6000 | 2600 | 1700 | ||
| 3.50 | 5000 | 2400 | 1600 | 1100 | 550 |
| 4.00 | 4000 | 2200 | 1500 | 1000 | 540 |
| 4.50 | 3000 | 2000 | 1400 | 900 | 530 |
| 5.00 | 1850 | 1300 | 800 | 520 | |
| 5.50 | 1700 | 1200 | 780 | 510 | |
| 6.00 | 1550 | 1150 | 760 | 500 | |
| 6.50 | 1500 | 1100 | 740 | 490 | |
| 7.00 | 1200 | 1050 | 720 | 480 | |
| 7.50 | 1000 | 700 | 470 | ||
| 8.00 | 950 | 680 | 460 | ||
| 8.50 | 900 | 660 | 455 | ||
| 9.00 | 800 | 640 | 450 | ||
| 9.25 | 600 | 600 | 445 | ||
| 10.00 | 560 | 440 | |||
| 10.50 | 540 | 435 | |||
| 11.00 | 520 | 430 | |||
| 11.65 | 500 | 425 | |||
| 12.00 | 420 | ||||
| 12.50 | 415 | ||||
| 13.00 | 410 | ||||
| 13.50 | 405 | ||||
| 14.05 | 400 | ||||
| 推荐倍率 | 6 | 4 | 2 | 2 | 2 |
力矩图

尺寸





