产品特点
针对轻型卡车优化
推荐搭载蓝牌轻型卡车底盘,更小转弯半径,机动性更卓越,可自如穿行老旧小区、窄巷商铺等限宽空间
操作位置灵活可选
可实现三向操作覆盖,便捷高效。吊臂头部位置预装对接孔,可快速安装高空作业篮,一机解决“吊装+高空”双需求。选配遥控器,一人轻松完成多项作业,省时、省力
多场景应用
广泛应用于小型园林绿化、市政维修、外墙维护、家电吊装等施工场景
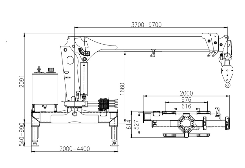
技术参数
SQS100起重机参数
| 序号 | 项目 | 单位 | SQS100 |
| 1 | 最大起重质量 | kg | 4000 |
| 2 | 最大起重力矩 | t·m | 10 |
| 3 | 最大工作半径 | m | 9.7 |
| 4 | 最大起升高度 | m | 11.5 |
| 5 | 最大变幅角度 | ° | 75 |
| 6 | 回转角度 | ° | 360 |
| 7 | 起重臂节数 | 节 | 4 |
| 8 | 基本臂工作半径 | mm | 3700 |
| 9 | 前支腿跨距* | mm | 2000-4400 |
| 10 | 后支腿跨距* | mm | 1920 |
| 11 | 安装所需最小间距 | mm | 614 |
| 12 | 推荐使用功率 | kW | 14 |
| 13 | 系统额定流量 | L/min | 40 |
| 14 | 系统额定压力 | MPa | 18 |
| 15 | 液压油箱容积 | L | 60 |
| 16 | 整机重量** | kg | 1632 |
| *支腿边缘到边缘长度数据 | |||
| **仅指起重机部分,不包含后支腿及其他附件 | |||
SQS100起重机性能参数
| 工作幅度(m) | 不同臂长最大起升载荷(kg) | |||
| 3.70m | 5.70m | 7.70m | 9.70m | |
| 2.50 | 4000 | 2500 | 1500 | |
| 3.00 | 3000 | 2000 | 1400 | 950 |
| 3.70 | 2500 | 1900 | 1300 | 900 |
| 4.00 | 1800 | 1200 | 850 | |
| 4.50 | 1700 | 1100 | 800 | |
| 5.00 | 1600 | 1000 | 750 | |
| 5.70 | 1500 | 900 | 700 | |
| 6.00 | 800 | 650 | ||
| 6.50 | 700 | 600 | ||
| 7.00 | 600 | 550 | ||
| 7.70 | 550 | 500 | ||
| 8.00 | 460 | |||
| 8.50 | 440 | |||
| 9.00 | 420 | |||
| 9.70 | 400 | |||
| 推荐倍率 | 4 | 2 | 2 | 2 |
力矩图

尺寸






