产品特点
抗冲击性强
五星液压马达,低速工况扭矩输出强劲,抗瞬时冲击能力提升50%+;双回转减速机协同驱动,扭矩输出更平稳,点位控制更精准
运行效率高
双级复合支腿,跨距≥7500mm,为极端工况提供刚性支撑保障;双联泵 + 精密比例阀 + 智能温控散热系统,实现流量精准配比,作业高效性与微动性兼得
支持极端环境运行
作为重载领域战略级装备,为风电设备配套安装、石化检修、大型预制件施工等极端工况赋能
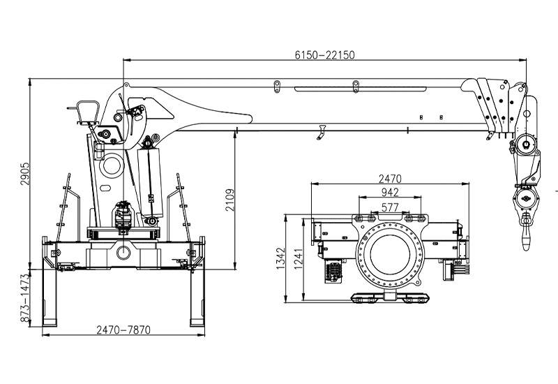
技术参数
SQS450起重机参数
| 序号 | 项目 | 单位 | SQS450 |
| 1 | 最大起重质量 | kg | 18000 |
| 2 | 最大起重力矩 | t·m | 45 |
| 3 | 最大工作半径 | m | 22.15 |
| 4 | 最大起升高度 | m | 23.8 |
| 5 | 最大变幅角度 | ° | 75 |
| 6 | 回转角度 | ° | 360 |
| 7 | 起重臂节数 | 节 | 5 |
| 8 | 基本臂工作半径 | mm | 6150 |
| 9 | 前支腿跨距* | mm | 2470-7870 |
| 10 | 后支腿跨距* | mm | 2400-4900 |
| 11 | 安装所需最小间距 | mm | 1241 |
| 12 | 推荐使用功率 | kW | 50 |
| 13 | 系统额定流量 | L/min | 80(80/40) |
| 14 | 系统额定压力 | MPa | 28 |
| 15 | 液压油箱容积 | L | 300 |
| 16 | 整机重量** | kg | 7900 |
| *支腿边缘到边缘长度数据 | |||
| **仅指起重机部分,不包含后支腿及其他附件 | |||
SQS450 起重机性能参数
| 工作幅度 (m) | 不同臂长最大起升载荷(kg) | ||||
| 6.15m | 10.15m | 14.15m | 18.15m | 22.15m | |
| 2.50 | 18000 | 14000 | |||
| 3.00 | 17000 | 13000 | |||
| 4.00 | 13000 | 10500 | 8000 | ||
| 5.00 | 9000 | 8500 | 7000 | 5200 | |
| 6.15 | 7000 | 6500 | 6200 | 4400 | 4000 |
| 7.00 | 6000 | 5800 | 3800 | 3400 | |
| 8.00 | 5500 | 4200 | 3300 | 2900 | |
| 9.00 | 5000 | 3700 | 2980 | 2600 | |
| 10.15 | 4000 | 3400 | 2680 | 2400 | |
| 11.00 | 3100 | 2400 | 2200 | ||
| 12.00 | 2850 | 2200 | 2000 | ||
| 13.00 | 2650 | 2050 | 1820 | ||
| 14.15 | 2300 | 1920 | 1660 | ||
| 15.00 | 1800 | 1540 | |||
| 16.00 | 1700 | 1460 | |||
| 17.00 | 1600 | 1380 | |||
| 18.15 | 1400 | 1320 | |||
| 19.00 | 1250 | ||||
| 20.00 | 1180 | ||||
| 21.00 | 1130 | ||||
| 22.15 | 1000 | ||||
| 推荐倍率 | 6 | 4 | 4 | 4 | 4 |
力矩图

尺寸





