产品特点
增强抗弯和抗扭能力
SQS200采用6节主臂设计,最大工作半径可达20米。起重机主臂采用高强度钢,U型截面,直臂设计,显著增强了抗弯抗扭能力
操作灵敏
双联泵液压系统提供澎湃动力,复合动作更流畅。敏感比例控制阀提供出色操作灵敏度与微动性,精准控制重物姿态。标配温控散热器,自动收钩装置
起重性能强劲
SQS200载运效率、起重能力与机动性能方面均衡卓越,随车吊行业的全能选手。其强劲的起重性能可满足多种常见作业需求,广泛应用于工地建材吊运、电力设施安装、机械设备搬运、救援抢险、园林绿化及管道铺设等场景
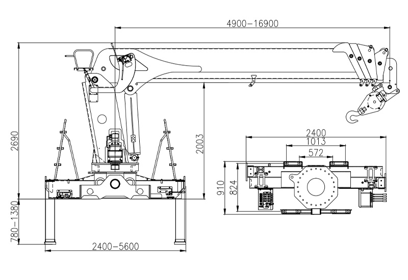
技术参数
SQS200起重机参数
| 序号 | 项目 | 单位 | SQS200-5 | SQS200-6 |
| 1 | 最大起重质量 | kg | 8000 | 8000 |
| 2 | 最大起重力矩 | t·m | 20 | 20 |
| 3 | 最大工作半径 | m | 16.9 | 19.8 |
| 4 | 最大起升高度 | m | 18.9 | 21.7 |
| 5 | 最大变幅角度 | ° | 75 | 75 |
| 6 | 回转角度 | ° | 360 | 360 |
| 7 | 起重臂节数 | 节 | 5 | 6 |
| 8 | 基本臂工作半径 | mm | 4900 | 5300 |
| 9 | 前支腿跨距* | mm | 2400-5600 | 2400-5600 |
| 10 | 后支腿跨距* | mm | 2400-3700 | 2400-3700 |
| 11 | 安装所需最小间距 | mm | 910 | 910 |
| 12 | 推荐使用功率 | kW | 27 | 27 |
| 13 | 系统额定流量 | L/min | 63(50/40) | 63(50/40) |
| 14 | 系统额定压力 | MPa | 25 | 25 |
| 15 | 液压油箱容积 | L | 130 | 130 |
| 16 | 整机重量** | kg | 4100 | 4500 |
- *支腿边缘到边缘长度数据
- **仅指起重机部分,不包含后支腿及其他附件
SQS200起重机性能参数
| 工作幅度(m) | 不同臂长最大起升载荷(kg) | ||||
| 4.9m | 7.9m | 10.9m | 13.9m | 16.9m | |
| 2.50 | 8000 | ||||
| 3.00 | 7200 | 6000 | 5000 | ||
| 3.50 | 6200 | 5300 | 4500 | 4000 | |
| 4.00 | 4900 | 4500 | 4000 | 3900 | 2800 |
| 4.50 | 4000 | 3800 | 3600 | 3500 | 2300 |
| 5.00 | 3900 | 3600 | 3200 | 3100 | 2000 |
| 5.50 | 3300 | 2800 | 2700 | 1700 | |
| 6.00 | 2950 | 2600 | 2500 | 1400 | |
| 6.50 | 2600 | 2400 | 2200 | 1300 | |
| 7.00 | 2300 | 2200 | 1850 | 1260 | |
| 7.50 | 2000 | 1900 | 1700 | 1220 | |
| 8.00 | 2000 | 1850 | 1600 | 1185 | |
| 8.50 | 1650 | 1500 | 1145 | ||
| 9.00 | 1550 | 1400 | 1110 | ||
| 9.50 | 1400 | 1300 | 1070 | ||
| 10.00 | 1300 | 1200 | 1030 | ||
| 10.50 | 1200 | 1100 | 995 | ||
| 11.00 | 1200 | 1075 | 955 | ||
| 11.50 | 1050 | 920 | |||
| 12.00 | 1025 | 880 | |||
| 12.50 | 1000 | 840 | |||
| 13.00 | 975 | 805 | |||
| 13.50 | 950 | 765 | |||
| 13.90 | 900 | 730 | |||
| 14.50 | 690 | ||||
| 15.00 | 650 | ||||
| 15.50 | 615 | ||||
| 16.00 | 575 | ||||
| 16.50 | 570 | ||||
| 16.90 | 500 | ||||
| 推荐倍率 | 6 | 4 | 4 | 4 | 4 |
力矩图

尺寸





